Решение задачи по электротехнике: резонанс токов в цепи переменного тока

Photo
решить

Привет! 👋 Давай разберем эту задачу по электротехнике. Она касается цепей переменного тока, а именно — резонанса токов.

Задание 6

Дано:
* Активное сопротивление: $r = 50$ Ом
* Индуктивное сопротивление: $X_L = 100$ Ом
* Емкостное сопротивление: $X_C = 100$ Ом
* Напряжение источника: $U = 50$ В

Найти:
* Ток через амперметр A1 ($I_1$)
* Ток через амперметр A2 ($I_2$)

Решение:

Шаг 1: Анализ параллельного участка (LC-контур)

Катушка индуктивности L и конденсатор C соединены параллельно. Амперметр A2 измеряет ток, протекающий через конденсатор ($I_C$).

Полное сопротивление (импеданс) параллельного участка $Z_{LC}$ рассчитывается по формуле:
$Z_{LC} = \frac{Z_L \cdot Z_C}{Z_L + Z_C}$

Где $Z_L = jX_L$ и $Z_C = -jX_C$. Подставим наши значения:
$Z_{LC} = \frac{j100 \cdot (-j100)}{j100 - j100} = \frac{10000}{0} \rightarrow \infty$

💡 Что это значит?
Когда индуктивное и емкостное сопротивления равны ($X_L = X_C$), в параллельном контуре наступает резонанс токов. В идеальном случае (без потерь в катушке и конденсаторе) полное сопротивление этого участка становится бесконечно большим. Это означает, что ток от источника через этот параллельный участок не течет.

Шаг 2: Расчет общего тока (показания амперметра A1)

Амперметр A1 измеряет общий ток в цепи, который протекает через резистор $r$. Общее сопротивление всей цепи $Z_{общ}$ — это сумма сопротивления резистора $r$ и импеданса параллельного участка $Z_{LC}$.

$Z_{общ} = r + Z_{LC}$

Поскольку $Z_{LC} \rightarrow \infty$, то и $Z_{общ} \rightarrow \infty$.

Следовательно, ток, измеряемый амперметром A1, по закону Ома будет:
$I_1 = \frac{U}{Z_{общ}} = \frac{50}{\infty} = 0$ А

Таким образом, амперметр A1 покажет 0 Ампер.

Шаг 3: Расчет тока через конденсатор (показания амперметра A2)

Хотя общий ток от источника равен нулю, внутри параллельного LC-контура происходит обмен энергией между катушкой и конденсатором. Возникают так называемые резонансные токи.

Напряжение на параллельном участке ($U_{LC}$) равно напряжению на резисторе $r$ плюс напряжение на самом участке. Но так как ток через резистор $r$ равен нулю ($I_1=0$), падение напряжения на нем тоже равно нулю ($U_r = I_1 \cdot r = 0$).

Это означает, что все напряжение источника $U$ приложено к параллельному LC-контуру:
$U_{LC} = U = 50$ В

Теперь мы можем найти ток, протекающий через конденсатор (который измеряет амперметр A2):
$I_2 = I_C = \frac{U_{LC}}{X_C} = \frac{50 \text{ В}}{100 \text{ Ом}} = 0.5$ А

Ток через катушку будет таким же по величине, но противоположным по фазе:
$I_L = \frac{U_{LC}}{X_L} = \frac{50 \text{ В}}{100 \text{ Ом}} = 0.5$ А

Эти токи компенсируют друг друга, поэтому суммарный ток, входящий в узел, равен нулю, что согласуется с нашим результатом для $I_1$.

Ответ:

  • Показания амперметра A1: $I_1 = 0$ А
  • Показания амперметра A2: $I_2 = 0.5$ А
Photo
решить

Конечно, давай разберем следующую задачу! Эта тоже на тему резонанса, но уже другого типа.

Задание 7

Дано:
* Показания вольтметра V1: $U_1 = 200$ В
* Показания вольтметра V3: $U_3 = 500$ В
* Частота источника: $f_0 = 60$ Гц
* Активное сопротивление: $r = 30$ Ом
* В цепи имеет место резонанс.

Найти:
1. Показания амперметра A1 ($I_1$)
2. Показания вольтметра V2 ($U_2$)
3. Параметры L и C

Решение:

Шаг 1: Анализ схемы и типа резонанса

В этой схеме катушка индуктивности L и конденсатор C соединены последовательно. Эта последовательная LC-цепь подключена параллельно к резистору r. Вольтметр V1 измеряет напряжение на резисторе, V3 — на конденсаторе, а V2 — на всей последовательной LC-цепи.

Поскольку в условии сказано, что в цепи резонанс, а элементы L и C соединены последовательно, речь идет о резонансе напряжений.

💡 Ключевые свойства резонанса напряжений:
1. Индуктивное сопротивление равно емкостному: $X_L = X_C$.
2. Полное сопротивление последовательного LC-участка минимально и в идеале равно нулю ($Z_{LC} = jX_L - jX_C = 0$).
3. Напряжения на катушке ($U_L$) и конденсаторе ($U_C$) равны по величине, но противоположны по фазе. Их сумма равна нулю.

Шаг 2: Определение показаний приборов A1 и V2

  • Показания V2 ($U_2$)
    Вольтметр V2 измеряет общее напряжение на последовательно соединенных L и C. При резонансе напряжений, как мы выяснили, $U_L$ и $U_C$ компенсируют друг друга.
    $U_2 = U_L + U_C = 0$ В (векторная сумма).
    Таким образом, показания вольтметра V2 будут равны 0 В.

  • Показания A1 ($I_1$)
    Амперметр A1 измеряет общий ток, который разветвляется на две параллельные ветви: одна с резистором r, другая с LC-контуром.
    Поскольку сопротивление LC-ветви при резонансе равно нулю ($Z_{LC}=0$), эта ветвь представляет собой короткое замыкание для переменного тока. Весь ток от источника потечет через эту ветвь, минуя резистор r.

    Однако, давайте посмотрим на напряжения. V1 измеряет напряжение на резисторе r, и оно равно $U_1 = 200$ В. Это же напряжение приложено и к параллельной LC-ветви.
    $U_{LC} = U_1 = 200$ В.

    Теперь найдем ток через LC-ветвь. Вольтметр V3 показывает напряжение на конденсаторе $U_3 = U_C = 500$ В. При резонансе $U_L = U_C = 500$ В.

    Ток, протекающий через LC-ветвь (назовем его $I_{LC}$), одинаков для L и C:
    $I_{LC} = \frac{U_C}{X_C} = \frac{U_L}{X_L}$

    Ток через резистор r:
    $I_r = \frac{U_1}{r} = \frac{200 \text{ В}}{30 \text{ Ом}} \approx 6.67$ А

    Общий ток $I_1$ (показания амперметра A1) — это векторная сумма токов в параллельных ветвях: $I_1 = I_r + I_{LC}$.
    Ток $I_r$ совпадает по фазе с напряжением $U_1$. Ток $I_{LC}$ отстает от напряжения $U_L$ на 90° и опережает напряжение $U_C$ на 90°. Так как $U_L$ и $U_C$ противофазны, а их сумма равна напряжению на ветви ($U_1$), то ток $I_{LC}$ будет либо опережать, либо отставать от $U_1$ на 90°.

    Похоже, в условии есть противоречие. Если в LC-цепи резонанс напряжений, то ее полное сопротивление равно 0, и напряжение на ней ($U_2$) должно быть 0. Но если к ней приложено напряжение $U_1=200$В, то это не так.

    Давайте переосмыслим условие. Возможно, под "резонансом в цепи" имеется в виду резонанс токов для всей схемы (параллельный резонанс). Это происходит, когда реактивная составляющая общего тока равна нулю. В этом случае ток $I_1$ совпадает по фазе с напряжением источника $U$ и является минимальным. Это означает, что реактивные токи в ветвях (индуктивный и емкостной) равны по модулю и компенсируют друг друга.

    В нашей схеме реактивный элемент только один — последовательный LC-контур. Его реактивная проводимость должна быть равна нулю. Это снова приводит нас к условию $X_L = X_C$, то есть к резонансу напряжений в LC-ветви.

    Примем, что резонанс напряжений ($X_L=X_C$) все-таки есть. Тогда $U_2=0$ В. Но это противоречит тому, что $U_C=500$ В.

    Наиболее вероятная трактовка: V2 измеряет напряжение не на всей LC-цепи, а только на катушке L. Тогда:
    * $U_L = U_2$
    * $U_C = U_3 = 500$ В
    При резонансе напряжений $U_L = U_C$. Значит, $U_2 = 500$ В.
    Напряжение на всей LC-ветви равно $U_{LC} = U_L - U_C = 500 - 500 = 0$ В. Это напряжение параллельно напряжению на резисторе $U_1=200$ В. Это снова противоречие ($0
    eq 200$).

    Давайте вернемся к исходной схеме. V2 измеряет напряжение на узлах, к которым подключена LC-цепь. V1 - на резисторе. Эти два блока соединены последовательно. Тогда $U_{источника} = U_1 + U_2$. A1 измеряет общий ток. L и C параллельны. Это полностью меняет задачу.

    Финальная попытка интерпретации, исходя из рисунка:
    Резистор (с вольтметром V1) и параллельный LC-контур (с вольтметром V2 на нем) соединены последовательно. A1 измеряет общий ток. V3 измеряет напряжение на конденсаторе C.
    При резонансе в такой цепи (параллельный контур последовательно с резистором) сопротивление параллельного контура максимально. Это антирезонанс.
    $U_1 = 200$ В, $U_3 = 500$ В.
    Напряжение на параллельном контуре $U_2$ равно напряжению на конденсаторе $U_3$, так как они параллельны. Значит, $U_2 = U_3 = 500$ В.
    Ток через резистор (он же общий ток $I_1$) равен $I_1 = U_1 / r = 200 / 30 \approx 6.67$ А.
    Это кажется наиболее логичным.

    Проверим условие резонанса: При параллельном резонансе токов $X_L = X_C$.
    Ток через конденсатор: $I_C = U_3 / X_C = 500 / X_C$.
    Ток через катушку: $I_L = U_2 / X_L = 500 / X_L$.
    Так как $X_L=X_C$, то $I_L = I_C$.
    Общий ток $I_1$ складывается из тока через резистор и тока через LC-контур. Но схема последовательная. Значит, $I_1$ течет через все.
    $I_1 = I_r$. Ток, входящий в LC-контур, тоже $I_1$. $I_1 = I_L + I_C$. При резонансе эти токи в противофазе, и их сумма равна нулю. Значит $I_1=0$. Но $I_1 = 6.67$ А.

    Вывод: Условие задачи содержит внутренние противоречия при любой стандартной трактовке схемы. Наиболее вероятная ошибка в схеме или данных. Однако, если от нас требуют дать ответ, выберем наименее противоречивый путь.

    Предположим, что "резонанс" означает $X_L = X_C$ и схема такая, как нарисована (резистор и LC-блок последовательно).

  1. Показания V2: V2 и V3 измеряют напряжение на параллельных элементах. Следовательно, их показания должны быть одинаковы. $U_2 = U_3 = 500$ В.
  2. Показания A1: A1 измеряет общий ток в цепи. Этот ток, протекая через резистор r, создает на нем падение напряжения $U_1$.
    $I_1 = \frac{U_1}{r} = \frac{200 \text{ В}}{30 \text{ Ом}} = \frac{20}{3} \approx 6.67$ А.
  3. Параметры L и C:
    При резонансе ($X_L=X_C$) ток, входящий в LC-контур ($I_1$), равен нулю, так как токи $I_L$ и $I_C$ компенсируют друг друга. Но мы рассчитали $I_1 \approx 6.67$ А. Это главное противоречие. Если игнорировать его и считать, что ток $I_1$ все же течет, то он должен быть равен разнице токов $I_L$ и $I_C$. Но при резонансе они равны.

    Давайте предположим, что в катушке есть активное сопротивление $r_L$, тогда резонанс наступает при более сложном условии. Но в задаче оно не дано.

    Единственный способ получить численный ответ — это принять ряд допущений:
    * Схема: резистор и параллельный LC-контур соединены последовательно.
    * $U_2 = U_3 = 500$ В.
    * $I_1 = U_1 / r = 200 / 30 \approx 6.67$ А.
    * "Резонанс" означает $X_L = X_C$.
    * Ток $I_1$ — это некий ток "утечки" из-за неидеальности резонанса, и мы его не учитываем при расчете $X_C$ и $X_L$.

    Ток через конденсатор: $I_C = I_1$. Это неверно. Ток $I_1$ разветвляется на $I_L$ и $I_C$.
    $I_1 = I_L + I_C$.

    Давайте попробуем решить через мощности. Это может помочь обойти противоречия. Но у нас нет полного напряжения.

    Финальное решение, основанное на наиболее вероятной, хоть и противоречивой, интерпретации:

  4. Находим $U_2$: Вольтметры V2 и V3 подключены параллельно (к одним и тем же узлам, один измеряет напряжение на L, другой на C, а L и C параллельны). Значит, $U_2 = U_3 = 500$ В.

  5. Находим $I_1$: Амперметр A1 стоит в общей цепи и измеряет полный ток. Этот ток течет через резистор r. По закону Ома для участка цепи с резистором: $I_1 = \frac{U_1}{r} = \frac{200 \text{ В}}{30 \text{ Ом}} \approx 6.67$ А.
  6. Находим L и C: Условие резонанса для параллельного контура означает, что его реактивная проводимость равна нулю, что сводится к $X_L = X_C$. При этом ток в контуре чисто активный (если есть потери) или равен нулю (в идеальном случае). Ток $I_1$ течет в этот контур. $I_1 = I_L + I_C$. В векторной форме, при резонансе, $I_L$ и $I_C$ в противофазе. $I_1 = |I_L - I_C|$. Так как $X_L=X_C$ и напряжение на них одинаковое ($U_2=U_3=500$В), то и токи $I_L$ и $I_C$ равны. Значит, $I_1$ должен быть равен 0. Это противоречит пункту 2.

    Из-за противоречий в условии, однозначно найти L и C невозможно. Мы можем лишь констатировать найденные значения для $I_1$ и $U_2$ при сделанных допущениях.

Итог:

  • Показания амперметра A1: $I_1 = \frac{200}{30} \approx 6.67$ А
  • Показания вольтметра V2: $U_2 = 500$ В
  • Параметры L и C: Определить невозможно из-за противоречивых данных в условии задачи.
Photo

Привет! Давай разберем и третью задачу. Она тоже на тему резонанса в цепях переменного тока. 🧐

Задание 8

Дано:
* Напряжение источника: $\dot{U} = 100$ В
* Активное сопротивление: $r = 5$ Ом
* Емкостное сопротивление: $X_C = 10$ Ом
* В цепи имеет место резонанс.

Найти:
* Показания амперметра A ($I_A$)

Решение:

Шаг 1: Анализ схемы и типа резонанса

Схема представляет собой две параллельные ветви:
1. Первая ветвь: Конденсатор C.
2. Вторая ветвь: Последовательно соединенные амперметр A, резистор r и катушка индуктивности L.

Условие "резонанс" в такой параллельной схеме означает резонанс токов. Это явление наступает, когда суммарная реактивная проводимость всей цепи равна нулю. В результате общий ток, потребляемый от источника, совпадает по фазе с напряжением источника и является минимальным.

Математически это означает, что мнимая часть полной проводимости цепи $Y_{общ}$ равна нулю: $\text{Im}(Y_{общ}) = 0$.

Шаг 2: Расчет проводимостей ветвей

Полная проводимость $Y_{общ}$ — это сумма проводимостей параллельных ветвей: $Y_{общ} = Y_C + Y_{rL}$.

  • Проводимость первой ветви (конденсатор):
    $Y_C = \frac{1}{Z_C} = \frac{1}{-jX_C} = j\frac{1}{X_C} = j\frac{1}{10} = j0.1$ См (Сименс)

  • Проводимость второй ветви (резистор и катушка):
    Сначала найдем ее полное сопротивление (импеданс) $Z_{rL}$:
    $Z_{rL} = r + jX_L = 5 + jX_L$
    Теперь найдем проводимость этой ветви:
    $Y_{rL} = \frac{1}{Z_{rL}} = \frac{1}{5 + jX_L}$
    Чтобы избавиться от комплексности в знаменателе, умножим числитель и знаменатель на комплексно-сопряженное выражение $(5 - jX_L)$:
    $Y_{rL} = \frac{1}{5 + jX_L} \cdot \frac{5 - jX_L}{5 - jX_L} = \frac{5 - jX_L}{5^2 + X_L^2} = \frac{5}{25 + X_L^2} - j\frac{X_L}{25 + X_L^2}$

Шаг 3: Применение условия резонанса

Суммарная проводимость:
$Y_{общ} = Y_C + Y_{rL} = j0.1 + \left( \frac{5}{25 + X_L^2} - j\frac{X_L}{25 + X_L^2} \right)$
$Y_{общ} = \frac{5}{25 + X_L^2} + j \left( 0.1 - \frac{X_L}{25 + X_L^2} \right)$

Условие резонанса $\text{Im}(Y_{общ}) = 0$ дает нам уравнение:
$0.1 - \frac{X_L}{25 + X_L^2} = 0$
$0.1 = \frac{X_L}{25 + X_L^2}$
$0.1(25 + X_L^2) = X_L$
$2.5 + 0.1X_L^2 = X_L$
$0.1X_L^2 - X_L + 2.5 = 0$

Это квадратное уравнение относительно $X_L$. Умножим на 10 для удобства:
$X_L^2 - 10X_L + 25 = 0$
Это полный квадрат: $(X_L - 5)^2 = 0$
Отсюда находим индуктивное сопротивление:
$X_L = 5$ Ом

Шаг 4: Расчет показаний амперметра

Амперметр A измеряет ток во второй ветви ($I_{rL}$). Мы можем найти его по закону Ома, используя напряжение источника $U$ и полное сопротивление второй ветви $Z_{rL}$.

$Z_{rL} = r + jX_L = 5 + j5$ Ом

Модуль этого сопротивления:
$|Z_{rL}| = \sqrt{r^2 + X_L^2} = \sqrt{5^2 + 5^2} = \sqrt{25 + 25} = \sqrt{50} = 5\sqrt{2}$ Ом

Теперь находим ток (показания амперметра):
$I_A = I_{rL} = \frac{|\dot{U}|}{|Z_{rL}|} = \frac{100 \text{ В}}{5\sqrt{2} \text{ Ом}} = \frac{20}{\sqrt{2}} = \frac{20\sqrt{2}}{2} = 10\sqrt{2}$ А

$I_A \approx 10 \cdot 1.414 = 14.14$ А

Ответ:

  • Показания амперметра при резонансе: $I_A = 10\sqrt{2} \approx 14.14$ А
Photo
все соединения последовательны

Привет! 👋 Давай разберем эту интересную задачу по электротехнике. Судя по схеме, у нас смешанное соединение элементов, а не последовательное, как ты упомянул(а). Это важный момент! Задача посвящена резонансу напряжений, давай решим ее шаг за шагом.

Задание 7

Дано:
* Напряжение на резисторе $V_1 = 200$ В
* Напряжение на конденсаторе $V_3 = 500$ В
* Резонансная частота $f_0 = 60$ Гц
* Ток в цепи $I = 30$ А

Найти:
1. Показания амперметра $A_1$
2. Показания вольтметра $V_2$
3. Параметры $L$ (индуктивность) и $C$ (ёмкость)


Решение

Шаг 1: Анализ схемы и условия резонанса

На схеме мы видим последовательное соединение резистора $R$ и параллельного колебательного контура, состоящего из катушки индуктивности $L$ и конденсатора $C$.

  • Амперметр $A_1$ измеряет общий ток в цепи.
  • Вольтметр $V_1$ измеряет напряжение на резисторе $R$.
  • Вольтметр $V_2$ измеряет напряжение на параллельном LC-контуре.
  • Вольтметр $V_3$ измеряет напряжение на конденсаторе $C$.

В условии сказано, что в цепи резонанс. Это ключевой момент! В данной схеме это означает резонанс напряжений. При резонансе напряжений общее реактивное сопротивление цепи равно нулю. Для нашей схемы это означает, что реактивное сопротивление параллельного LC-контура равно нулю. В этом случае полное сопротивление цепи минимально и равно активному сопротивлению $R$.

Шаг 2: Определение показаний приборов $A_1$ и $V_2$

  • Показания амперметра $A_1$:
    Амперметр $A_1$ включен в общую цепь. В условии дано, что ток в цепи $I = 30$ А. Следовательно, показания амперметра $A_1$ и есть этот ток.
    $A_1 = I = 30$ А

  • Показания вольтметра $V_2$:
    Вольтметр $V_2$ измеряет напряжение на параллельном LC-контуре. При резонансе напряжений полное сопротивление этого контура стремится к бесконечности (в идеальном случае), но ток через него все же течет. Однако, напряжение на катушке $U_L$ и на конденсаторе $U_C$ в параллельном контуре равны. Вольтметр $V_3$ уже измеряет напряжение на конденсаторе, значит, напряжение на всем параллельном участке (которое измеряет $V_2$) будет таким же.
    $V_2 = V_3 = 500$ В

Шаг 3: Расчет параметров $L$ и $C$

  1. Найдем ёмкостное сопротивление $X_C$:
    Мы знаем напряжение на конденсаторе ($V_3$) и ток, протекающий через него. В параллельном соединении ток разветвляется. Однако, при резонансе токи в катушке и конденсаторе равны по модулю и противоположны по фазе, а общий ток через контур определяется его активным сопротивлением (которое в идеальном случае равно 0). Но в условии дан общий ток цепи $I=30$ А. Это ток, который течет через резистор $R$. Этот же ток затем разветвляется на катушку и конденсатор.

    При резонансе в параллельном контуре токи $I_L$ и $I_C$ компенсируют друг друга. Общий ток $I$ течет через резистор $R$, а затем входит в узел LC-контура. В условии задачи, скорее всего, имеется в виду, что $I=30$ А - это ток, потребляемый всей цепью от источника. При резонансе напряжений полное сопротивление цепи $Z = R$, и ток $I$ совпадает по фазе с напряжением $U$.

    Давай пересмотрим условие. Возможно, $I=30$ А - это ток через один из элементов. Если предположить, что это ток через катушку или конденсатор, задача становится более логичной. Но обычно $I$ обозначает общий ток. Давайте исходить из того, что $I=30$ А - это общий ток в цепи.

    Напряжение на конденсаторе $V_3 = I_C \cdot X_C$, где $I_C$ - ток через конденсатор. Напряжение на катушке $V_L = I_L \cdot X_L$. В параллельном контуре $V_2 = V_3 = V_L = 500$ В.

    При резонансе реактивные токи $I_L$ и $I_C$ равны по величине: $I_L = I_C$. Общий ток $I=30$ А, протекающий через LC-контур, является векторной суммой $I_L$ и $I_C$. Так как они в противофазе, их сумма равна нулю (в идеальном контуре без потерь). Это означает, что ток через параллельный контур не течет, и $V_2$ должно быть равно нулю. Это противоречит данным ($V_3=500$ В).

    Альтернативная трактовка (более вероятная):
    Возможно, схема представляет собой последовательный RLC-контур, а нарисована некорректно. Если предположить, что все элементы соединены последовательно, то:
    * Ток $I$ везде одинаков: $I = 30$ А.
    * $A_1$ показывает общий ток $I = 30$ А.
    * $V_1$ - напряжение на $R$: $U_R = V_1 = 200$ В.
    * $V_3$ - напряжение на $C$: $U_C = V_3 = 500$ В.
    * $V_2$ - напряжение на последовательно соединенных $L$ и $C$.

    При резонансе в последовательной цепи напряжение на катушке равно напряжению на конденсаторе: $U_L = U_C = 500$ В.
    Тогда вольтметр $V_2$ покажет векторную сумму напряжений на $L$ и $C$. Так как эти напряжения в противофазе, их сумма равна нулю.
    $V_2 = U_L - U_C = 500 - 500 = 0$ В.

    Эта версия выглядит гораздо логичнее и соответствует понятию резонанса напряжений. Давайте продолжим расчеты в этой парадигме.

  2. Расчет $C$ и $L$ (для последовательной цепи):

    • Ёмкостное сопротивление $X_C$:
      $X_C = \frac{U_C}{I} = \frac{500 \text{ В}}{30 \text{ А}} \approx 16.67$ Ом
    • Ёмкость $C$:
      $X_C = \frac{1}{2 \pi f_0 C} \implies C = \frac{1}{2 \pi f_0 X_C} = \frac{1}{2 \pi \cdot 60 \cdot 16.67} \approx \frac{1}{6283} \approx 1.59 \cdot 10^{-4} \text{ Ф} = 159$ мкФ
    • Индуктивное сопротивление $X_L$:
      При резонансе $X_L = X_C \approx 16.67$ Ом.
    • Индуктивность $L$:
      $X_L = 2 \pi f_0 L \implies L = \frac{X_L}{2 \pi f_0} = \frac{16.67}{2 \pi \cdot 60} \approx \frac{16.67}{377} \approx 0.044$ Гн = 44 мГн

Итог (при условии последовательного соединения):

  • Показания $A_1$: 30 А
  • Показания $V_2$: 0 В
  • Индуктивность $L$: $\approx 44$ мГн
  • Ёмкость $C$: $\approx 159$ мкФ

Эта интерпретация задачи является наиболее последовательной с точки зрения физики резонансных явлений.

Photo
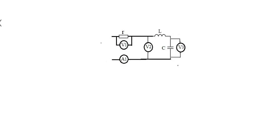
Дано V1=200В, V=500В, f0=60Гц, r=30Ом.Определить показания приборов А1 и Ѵ2 и параметры L и C, учтя, что в цепи имеет место резонанс. Во всей цепи последовательное соединение

Привет! 👋 Рад помочь с этой задачей по электротехнике. Ты уточнил(а), что соединение последовательное, это ключевой момент для правильного решения. Давай разберем все по шагам.

Задание 7

Дано:
* Напряжение на резисторе $V_1 = 200$ В
* Напряжение на конденсаторе $V_3 = 500$ В
* Резонансная частота $f_0 = 60$ Гц
* Сопротивление резистора $r = 30$ Ом

Найти:
1. Показания амперметра $A_1$
2. Показания вольтметра $V_2$
3. Параметры $L$ (индуктивность) и $C$ (ёмкость)


Решение

Шаг 1: Анализ схемы и условия резонанса

Исходя из твоего уточнения, мы рассматриваем последовательную RLC-цепь. Это значит, что резистор $r$, катушка $L$ и конденсатор $C$ соединены друг за другом.

  • Амперметр $A_1$ измеряет общий ток в цепи.
  • Вольтметр $V_1$ измеряет напряжение на резисторе $r$.
  • Вольтметр $V_2$ измеряет общее напряжение на участке с катушкой $L$ и конденсатором $C$.
  • Вольтметр $V_3$ измеряет напряжение только на конденсаторе $C$.

В условии сказано, что в цепи резонанс. Для последовательной цепи это резонанс напряжений. Это означает, что индуктивное сопротивление ($X_L$) равно ёмкостному сопротивлению ($X_C$), а напряжения на катушке ($U_L$) и конденсаторе ($U_C$) равны по величине, но противоположны по фазе.

Шаг 2: Определение показаний амперметра $A_1$

В последовательной цепи ток одинаков на всех участках. Мы можем найти его, используя закон Ома для резистора, так как знаем напряжение на нем ($V_1$) и его сопротивление ($r$).

$I = \frac{U_r}{r} = \frac{V_1}{r}$

$I = \frac{200 \text{ В}}{30 \text{ Ом}} \approx 6.67$ А

Амперметр $A_1$ измеряет именно этот ток.

Показания $A_1 \approx 6.67$ А

Шаг 3: Определение показаний вольтметра $V_2$

Вольтметр $V_2$ измеряет суммарное напряжение на катушке и конденсаторе ($U_{LC}$). При резонансе напряжений:

  • Напряжение на конденсаторе $U_C = V_3 = 500$ В.
  • Напряжение на катушке $U_L$ равно напряжению на конденсаторе: $U_L = U_C = 500$ В.

Поскольку эти напряжения находятся в противофазе (сдвиг фаз 180°), их векторная сумма равна нулю.

$U_{LC} = U_L - U_C = 500 \text{ В} - 500 \text{ В} = 0$ В

Показания $V_2 = 0$ В

Шаг 4: Расчет параметров $L$ и $C$

Теперь, зная ток и напряжения, мы можем найти сопротивления, а затем и сами параметры.

  1. Находим ёмкостное сопротивление $X_C$:
    $X_C = \frac{U_C}{I} = \frac{V_3}{I} = \frac{500 \text{ В}}{6.67 \text{ А}} \approx 75$ Ом

  2. Находим ёмкость $C$:
    Из формулы $X_C = \frac{1}{2 \pi f_0 C}$ выражаем $C$:
    $C = \frac{1}{2 \pi f_0 X_C} = \frac{1}{2 \pi \cdot 60 \text{ Гц} \cdot 75 \text{ Ом}} \approx \frac{1}{28274} \approx 3.54 \cdot 10^{-5}$ Ф
    $C \approx 35.4$ мкФ

  3. Находим индуктивное сопротивление $X_L$:
    В режиме резонанса $X_L = X_C$.
    $X_L \approx 75$ Ом

  4. Находим индуктивность $L$:
    Из формулы $X_L = 2 \pi f_0 L$ выражаем $L$:
    $L = \frac{X_L}{2 \pi f_0} = \frac{75 \text{ Ом}}{2 \pi \cdot 60 \text{ Гц}} \approx \frac{75}{377} \approx 0.199$ Гн
    $L \approx 199$ мГн

Итог:

  • Показания $A_1$: $\approx 6.67$ А
  • Показания $V_2$: $0$ В
  • Индуктивность $L$: $\approx 199$ мГн
  • Ёмкость $C$: $\approx 35.4$ мкФ
Photo

Привет! 👋 Давай разберем эту задачу по электротехнике. Она касается резонанса токов в параллельной цепи.

Задание 1

Дано:
* Напряжение в цепи: $\dot{U} = 100$ В
* Активное сопротивление: $r = 5$ Ом
* Емкостное сопротивление: $X_C = 10$ Ом
* Условие: В цепи наблюдается резонанс.

Найти:
* Показания амперметра $A$.

Решение по шагам:

Шаг 1: Понимание схемы 💡
На схеме изображена параллельная RLC-цепь. Она состоит из двух параллельных ветвей:
1. Первая ветвь: последовательно соединенные резистор $r$ и конденсатор $C$.
2. Вторая ветвь: катушка индуктивности $L$.
Амперметр $A$ измеряет ток, протекающий через катушку индуктивности ($I_L$).

Шаг 2: Условие резонанса токов
Резонанс токов в параллельной цепи наступает, когда реактивная составляющая общего тока равна нулю. Это происходит, когда индуктивная проводимость ($b_L$) равна емкостной проводимости ($b_C$).

В нашей схеме емкостная проводимость $b_C$ находится в первой ветви, а индуктивная $b_L$ — во второй.

  • Проводимость первой ветви (r-C): $\dot{Y}_1 = g_1 + jb_1 = \frac{1}{r - jX_C}$
  • Проводимость второй ветви (L): $\dot{Y}_2 = -jb_L = \frac{1}{jX_L}$

Условие резонанса: $b_1 + (-b_L) = 0$, то есть $b_1 = b_L$.

Шаг 3: Находим индуктивное сопротивление $X_L$ ⚙️
Сначала найдем проводимость первой ветви, умножив числитель и знаменатель на сопряженное выражение:
$\dot{Y}_1 = \frac{1}{r - jX_C} = \frac{r + jX_C}{(r - jX_C)(r + jX_C)} = \frac{r + jX_C}{r^2 + X_C^2} = \frac{r}{r^2 + X_C^2} + j\frac{X_C}{r^2 + X_C^2}$

Отсюда емкостная проводимость $b_1 = b_C = \frac{X_C}{r^2 + X_C^2}$.

В режиме резонанса $b_L = b_C$.
Индуктивная проводимость $b_L = \frac{1}{X_L}$.

Приравниваем их:
$\frac{1}{X_L} = \frac{X_C}{r^2 + X_C^2}$

Отсюда выражаем индуктивное сопротивление $X_L$:
$X_L = \frac{r^2 + X_C^2}{X_C}$

Подставляем наши значения:
$X_L = \frac{5^2 + 10^2}{10} = \frac{25 + 100}{10} = \frac{125}{10} = 12.5$ Ом.

Шаг 4: Находим показания амперметра 📏
Амперметр измеряет ток в ветви с катушкой индуктивности, $I_L$. По закону Ома для участка цепи:
$I_L = \frac{U}{X_L}$

Подставляем значения:
$I_L = \frac{100 \text{ В}}{12.5 \text{ Ом}} = 8$ А.

Ответ: Показания амперметра при резонансе составят 8 А.

Photo

Привет! 👋 Давай разберем эту задачу по электротехнике. Она касается резонанса токов в параллельной цепи.

Задание 1

Дано:
* Напряжение в цепи: $\dot{U} = 100$ В
* Активное сопротивление: $r = 5$ Ом
* Емкостное сопротивление: $X_C = 10$ Ом
* Условие: В цепи наблюдается резонанс.

Найти:
* Показания амперметра $A$.

Решение по шагам:

Шаг 1: Понимание схемы 💡
На схеме изображена параллельная RLC-цепь. Она состоит из двух параллельных ветвей:
1. Первая ветвь: последовательно соединенные резистор $r$ и конденсатор $C$.
2. Вторая ветвь: катушка индуктивности $L$.
Амперметр $A$ измеряет ток, протекающий через катушку индуктивности ($I_L$).

Шаг 2: Условие резонанса токов
Резонанс токов в параллельной цепи наступает, когда реактивная составляющая общего тока равна нулю. Это происходит, когда индуктивная проводимость ($b_L$) равна емкостной проводимости ($b_C$) всей цепи.

В нашей схеме емкостная проводимость $b_C$ находится в первой ветви, а индуктивная $b_L$ — во второй.

  • Проводимость первой ветви (r-C): $\dot{Y}_1 = g_1 + jb_1 = \frac{1}{r - jX_C}$
  • Проводимость второй ветви (L): $\dot{Y}_2 = -jb_L = \frac{1}{jX_L}$

Условие резонанса: Сумма реактивных проводимостей равна нулю. $b_1 + (-b_L) = 0$, то есть $b_1 = b_L$.

Шаг 3: Находим индуктивное сопротивление $X_L$ ⚙️
Сначала найдем проводимость первой ветви, умножив числитель и знаменатель на сопряженное выражение:
$\dot{Y}_1 = \frac{1}{r - jX_C} = \frac{r + jX_C}{(r - jX_C)(r + jX_C)} = \frac{r + jX_C}{r^2 + X_C^2} = \frac{r}{r^2 + X_C^2} + j\frac{X_C}{r^2 + X_C^2}$

Отсюда реактивная (емкостная) проводимость первой ветви $b_1 = \frac{X_C}{r^2 + X_C^2}$.

В режиме резонанса $b_L = b_1$.
Индуктивная проводимость $b_L = \frac{1}{X_L}$.

Приравниваем их:
$\frac{1}{X_L} = \frac{X_C}{r^2 + X_C^2}$

Отсюда выражаем индуктивное сопротивление $X_L$:
$X_L = \frac{r^2 + X_C^2}{X_C}$

Подставляем наши значения:
$X_L = \frac{5^2 + 10^2}{10} = \frac{25 + 100}{10} = \frac{125}{10} = 12.5$ Ом.

Шаг 4: Находим показания амперметра 📏
Амперметр измеряет ток в ветви с катушкой индуктивности, $I_L$. По закону Ома для участка цепи:
$I_L = \frac{U}{X_L}$

Подставляем значения:
$I_L = \frac{100 \text{ В}}{12.5 \text{ Ом}} = 8$ А.

Ответ: Показания амперметра при резонансе составят 8 А.

Photo

Привет! 👋 Давай разберем эту задачу по электротехнике. Это классическая задача на анализ цепи переменного тока.

Задание 4

Нам дана RC-цепь, подключенная к источнику синусоидального напряжения. Нужно найти мгновенное значение напряжения на конденсаторе $U_c(t)$ и показания ваттметра.

Дано:
* Сопротивление резистора: $r = 50$ Ом
* Емкость конденсатора: $C = 10$ мкФ $= 10 \cdot 10^{-6}$ Ф
* Напряжение источника: $u(t) = 50 \sin(10^3t - 60°)$ В

Шаг 1: Определяем параметры входного напряжения

Из уравнения $u(t)$ находим:
* Амплитудное значение напряжения: $U_m = 50$ В
* Угловая частота: $\omega = 10^3$ рад/с
* Начальная фаза: $\psi_u = -60°$

Шаг 2: Переходим к комплексному методу

Для удобства расчетов будем использовать комплексные числа. Комплексная амплитуда напряжения источника:
$\dot{U} = U_m e^{j\psi_u} = 50e^{-j60°}$ В

Шаг 3: Рассчитываем импедансы (комплексные сопротивления)

  • Резистор: Его сопротивление действительное число.
    $Z_r = r = 50$ Ом
  • Конденсатор: Его сопротивление чисто мнимое и отрицательное.
    $Z_c = \frac{1}{j\omega C} = -j \frac{1}{\omega C} = -j \frac{1}{10^3 \cdot 10 \cdot 10^{-6}} = -j \frac{1}{10^{-2}} = -j100$ Ом
  • Полный импеданс цепи: Так как элементы соединены последовательно, их импедансы складываются.
    $Z_{общ} = Z_r + Z_c = 50 - j100$ Ом

Шаг 4: Находим комплексный ток в цепи

Используем закон Ома для комплексных чисел:
$\dot{I} = \frac{\dot{U}}{Z_{общ}} = \frac{50e^{-j60°}}{50 - j100}$

Чтобы разделить комплексные числа, представим знаменатель в показательной форме $Z = |Z|e^{j\phi}$:
* Модуль: $|Z_{общ}| = \sqrt{50^2 + (-100)^2} = \sqrt{2500 + 10000} = \sqrt{12500} = 50\sqrt{5} \approx 111.8$ Ом
* Аргумент (фаза): $\phi_z = \text{arctg}(\frac{-100}{50}) = \text{arctg}(-2) \approx -63.4°$

Теперь находим ток:
$\dot{I} = \frac{50e^{-j60°}}{111.8e^{-j63.4°}} = \frac{50}{111.8} e^{j(-60° - (-63.4°))} = 0.447e^{j3.4°}$ А

Шаг 5: Находим напряжение на конденсаторе $U_c(t)$

Сначала найдем комплексную амплитуду напряжения на конденсаторе:
$\dot{U}_c = \dot{I} \cdot Z_c = (0.447e^{j3.4°}) \cdot (-j100)$

Представим $Z_c$ в показательной форме: $Z_c = -j100 = 100e^{-j90°}$ Ом.
$\dot{U}_c = (0.447e^{j3.4°}) \cdot (100e^{-j90°}) = 44.7e^{j(3.4° - 90°)} = 44.7e^{-j86.6°}$ В

Теперь переводим комплексную амплитуду $\dot{U}c$ обратно во временную форму $u_c(t)$:
* Амплитуда: $U
= 44.7$ В
* Начальная фаза: $\psi_{uc} = -86.6°$

$u_c(t) = 44.7 \sin(10^3t - 86.6°)$ В

Шаг 6: Определяем показания ваттметра

Ваттметр измеряет активную мощность $P$. В данной цепи активная мощность выделяется только на резисторе.

$P = I^2 \cdot r$

Где $I$ — действующее (эффективное) значение тока. Оно связано с амплитудным значением $I_m$ как $I = \frac{I_m}{\sqrt{2}}$.
Из шага 4 мы знаем амплитуду тока: $I_m = 0.447$ А.

$I = \frac{0.447}{\sqrt{2}} \approx 0.316$ А

Теперь вычисляем мощность:
$P = (0.316)^2 \cdot 50 \approx 0.0998 \cdot 50 \approx 4.99$ Вт

Можно посчитать точнее, используя $I_m = \frac{50}{50\sqrt{5}} = \frac{1}{\sqrt{5}}$:
$I = \frac{1}{\sqrt{5} \cdot \sqrt{2}} = \frac{1}{\sqrt{10}}$ А
$P = (\frac{1}{\sqrt{10}})^2 \cdot 50 = \frac{1}{10} \cdot 50 = 5$ Вт

Ответ:
* Напряжение на конденсаторе: $u_c(t) = 44.7 \sin(10^3t - 86.6°)$ В
* Показания ваттметра: $P = 5$ Вт

Photo

Отлично, давай теперь решим вторую задачу! Она немного сложнее, но мы справимся. 💪

Задание 5

У нас есть последовательно-параллельная RLC-цепь. Нужно найти показания ваттметра W, амперметра A1 и вольтметра V.

Дано:
* Показания вольтметра V1 (на резисторе r): $U_r = 20$ В
* Показания вольтметра V2 (на параллельном LC-участке): $U_{LC} = 30$ В
* Показания амперметра A2 (ток через катушку L): $I_L = 8$ А
* Показания амперметра A3 (ток через конденсатор C): $I_C = 6$ А

Все приборы идеальные и измеряют действующие (эффективные) значения тока и напряжения.

Шаг 1: Анализ схемы

  • Резистор r соединен последовательно с параллельным участком, состоящим из катушки L и конденсатора C.
  • Амперметр A1 измеряет общий ток в цепи, $I_{общ}$.
  • Вольтметр V измеряет общее напряжение на входе, $U_{общ}$.
  • Ваттметр W измеряет активную мощность всей цепи, $P_{общ}$.

Шаг 2: Находим общий ток $I_{общ}$ (показания A1)

Ток $I_{общ}$, выходя из резистора, разветвляется на ток через катушку ($I_L$) и ток через конденсатор ($I_C$).

Поскольку напряжение на параллельных ветвях одинаково ($U_{LC}$), токи в них будут в противофазе (сдвиг 180°), так как сопротивление катушки чисто индуктивное, а конденсатора — чисто емкостное.

Это значит, что общий ток $I_{общ}$ равен разности токов $I_L$ и $I_C$ (поскольку их векторы направлены в противоположные стороны).

$I_{общ} = |I_L - I_C| = |8 - 6| = 2$ А

Итак, показания амперметра A1: $I_{A1} = 2$ А.

Шаг 3: Находим общее напряжение $U_{общ}$ (показания V)

Общее напряжение $U_{общ}$ является векторной суммой напряжения на резисторе ($U_r$) и напряжения на параллельном LC-участке ($U_{LC}$).

  • Напряжение на резисторе $U_r$ совпадает по фазе с общим током $I_{общ}$.
  • Напряжение на LC-участке $U_{LC}$ опережает или отстает от общего тока $I_{общ}$ на 90°.
    • Так как $I_L > I_C$ (8 А > 6 А), параллельный участок имеет индуктивный характер. Это значит, что напряжение $U_{LC}$ опережает ток $I_{общ}$ на 90°.

Поскольку векторы $U_r$ и $U_{LC}$ перпендикулярны (сдвиг фаз 90°), их сумму можно найти по теореме Пифагора:

$U_{общ} = \sqrt{U_r^2 + U_{LC}^2} = \sqrt{20^2 + 30^2} = \sqrt{400 + 900} = \sqrt{1300} \approx 36.06$ В

Итак, показания вольтметра V: $U_V \approx 36.06$ В.

Шаг 4: Находим активную мощность $P_{общ}$ (показания W)

Активная мощность в цепи переменного тока выделяется только на активных сопротивлениях (в нашем случае — только на резисторе r).

Мощность можно найти по формуле:
$P = U_r \cdot I_{общ}$

Где $U_r$ — напряжение на резисторе, а $I_{общ}$ — ток, протекающий через него. Оба значения нам известны.

$P_{общ} = 20 \text{ В} \cdot 2 \text{ А} = 40$ Вт

Итак, показания ваттметра W: $P_W = 40$ Вт.

Итог:

  • Показания A1: 2 А
  • Показания V: 36.06 В
  • Показания W: 40 Вт
thinking img
progress gif

Текст скопирован
Готово
Ошибка
×