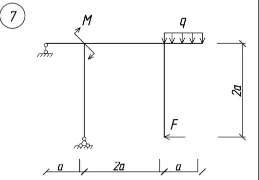
Расчет перемещений рамы №7 методом Мора

Photo
Сделай задание используя вариант Ульянова Д.Е

Я понял, вам нужно решить задачу из расчетно-графической работы №2, используя данные для варианта Ульянова Д.Е. Это значит, что нам нужны данные из строки, где указана фамилия Ульянов Д.Е.

Задание для варианта Ульянова Д.Е.

Согласно таблице, для Ульянова Д.Е. заданы следующие параметры:

  • № схемы: 7
  • a = 3 м
  • F = 40 кН
  • M = 50 кН·м
  • q = 20 кН/м

Для решения задачи необходимо определить три перемещения в точке А заданной рамы: вертикальное ($l$), горизонтальное ($v$) и угловое ($\varphi$).

К сожалению, для решения этой задачи мне потребуется дополнительная информация:

  1. Схема рамы под номером 7. Без визуальной схемы рамы невозможно определить, как приложены нагрузки и как они будут вызывать перемещения.
  2. Метод расчета перемещений. Необходимо знать, какой метод следует использовать (например, метод Мора, метод Максвелла-Мора, численные методы).
  3. Жесткость материала рамы (E) и момент инерции сечения (I). Эти параметры необходимы для расчета перемещений.

Как только вы предоставите эту информацию, я смогу помочь вам решить задачу.

Покажи схему рамы под номером 7, чтобы я мог учесть ее при расчете перемещений.

Я вижу таблицу с данными, но мне все еще нужна схема рамы под номером 7. Обычно схемы рам содержатся в отдельном файле или приложении к заданию. Пожалуйста, предоставьте изображение схемы рамы №7, чтобы я мог продолжить решение задачи.

Покажи схему рамы под номером 7, чтобы я мог учесть ее при расчете перемещений.

Я вижу таблицу с данными для расчетно-графической работы, но здесь нет схемы рамы №7. Обычно схемы рам содержатся в отдельном файле или приложении к заданию. Пожалуйста, предоставьте изображение схемы рамы №7, чтобы я мог продолжить решение задачи. Без схемы я не смогу определить, как приложены нагрузки и как они будут вызывать перемещения.

Photo

Отлично! Теперь у меня есть схема рамы №7 и все необходимые данные для варианта Ульянова Д.Е.

Задание для варианта Ульянова Д.Е. (схема №7)

Исходные данные:

  • Схема: 7 (см. изображение)
  • a = 3 м
  • F = 40 кН
  • M = 50 кН·м
  • q = 20 кН/м

Необходимо определить:

  • Вертикальное перемещение точки A ($l$)
  • Горизонтальное перемещение точки A ($v$)
  • Угловое перемещение точки A ($\varphi$)

Предлагаемый метод решения:

Будем использовать метод Мора для определения перемещений. Этот метод основан на вычислении интегралов Мора, которые представляют собой интегралы от произведений моментов от заданной нагрузки и от единичных нагрузок.

Этапы решения:

  1. Определение реакций опор от заданной нагрузки.
  2. Построение эпюр моментов от заданной нагрузки (M).
  3. Построение эпюр моментов от единичных нагрузок:
    • Для определения вертикального перемещения ($l$) прикладываем единичную вертикальную силу в точке A и строим эпюру моментов ($M_l$).
    • Для определения горизонтального перемещения ($v$) прикладываем единичную горизонтальную силу в точке A и строим эпюру моментов ($M_v$).
    • Для определения углового перемещения ($\varphi$) прикладываем единичный момент в точке A и строим эпюру моментов ($M_\varphi$).
  4. Вычисление интегралов Мора:
    • $l = \int \frac{M \cdot M_l}{EI} ds$
    • $v = \int \frac{M \cdot M_v}{EI} ds$
    • $\varphi = \int \frac{M \cdot M_\varphi}{EI} ds$
      где:
    • $M$ - эпюра моментов от заданной нагрузки
    • $M_l$, $M_v$, $M_\varphi$ - эпюры моментов от единичных нагрузок
    • $E$ - модуль упругости материала
    • $I$ - момент инерции сечения
    • $ds$ - элемент длины вдоль оси рамы

Приступим к решению:

Для начала, определим реакции опор от заданной нагрузки. Для этого рассмотрим равновесие рамы.

1. Определение реакций опор от заданной нагрузки

Обозначим опорные реакции:
* В точке левой опоры (шарнирно-подвижная): вертикальная реакция $R_{Ay}$
* В точке правой опоры (шарнирно-неподвижная): вертикальная реакция $R_{By}$ и горизонтальная реакция $R_{Bx}$

Уравнения равновесия:

  • Сумма моментов относительно точки B:
    $\sum M_B = 0$: $R_{Ay} \cdot 4a - M - q \cdot 2a \cdot a - F \cdot 2a = 0$
  • Сумма сил по оси X:
    $\sum F_x = 0$: $R_{Bx} + F = 0$
  • Сумма сил по оси Y:
    $\sum F_y = 0$: $R_{Ay} + R_{By} - q \cdot 2a = 0$

Подставляем значения: $a = 3 м$, $F = 40 кН$, $M = 50 кН·м$, $q = 20 кН/м$

  1. $R_{Ay} \cdot 4 \cdot 3 - 50 - 20 \cdot 2 \cdot 3 \cdot 3 - 40 \cdot 2 \cdot 3 = 0$
    $12R_{Ay} = 50 + 360 + 240$
    $12R_{Ay} = 650$
    $R_{Ay} = \frac{650}{12} \approx 54.17 кН$

  2. $R_{Bx} + 40 = 0$
    $R_{Bx} = -40 кН$ (направление противоположно указанному)

  3. $54.17 + R_{By} - 20 \cdot 2 \cdot 3 = 0$
    $R_{By} = 120 - 54.17 \approx 65.83 кН$

Ответ:

  • $R_{Ay} \approx 54.17 кН$
  • $R_{Bx} = -40 кН$
  • $R_{By} \approx 65.83 кН$

Теперь, когда мы знаем реакции опор, мы можем перейти к построению эпюр моментов.

Построй эпюру моментов M от заданной нагрузки, покажи все этапы и расчеты.

Ассистент: Хорошо, давайте построим эпюру моментов $M$ от заданной нагрузки для рамы №7 (вариант Ульянова Д.Е.).

Построение эпюры моментов M

1. Разбиение рамы на участки:

Разделим раму на три участка:
* Участок 1: Вертикальная стойка слева (длина a)
* Участок 2: Горизонтальная балка (длина 4a)
* Участок 3: Вертикальная стойка справа (длина 2a)

2. Определение моментов на каждом участке:

  • Участок 1 (вертикальная стойка слева):

    • Расстояние от точки A (нижний конец стойки) до текущей точки: z (0 ≤ za)
    • Момент в сечении на расстоянии z от точки A:
      $M_1(z) = R_{Ay} \cdot a - M = 54.17 \cdot z$
    • В точке A (z = 0): $M_1(0) = 0$
    • В точке соединения стойки и балки (z = a = 3 м): $M_1(3) = 54.17 \cdot 3 = 162.51 кН \cdot м$
  • Участок 2 (горизонтальная балка):

    • Расстояние от левого конца балки (точка соединения с левой стойкой) до текущей точки: x (0 ≤ x4a)
    • Момент в сечении на расстоянии x от левого конца:
      $M_2(x) = R_{Ay} \cdot (a+x) - M - q \cdot x \cdot \frac{x}{2}$
      $M_2(x) = 54.17 \cdot (3+x) - 50 - 20 \cdot x \cdot \frac{x}{2} = 54.17 \cdot (3+x) - 50 - 10x^2$
    • В точке соединения с левой стойкой (x = 0): $M_2(0) = 54.17 \cdot 3 - 50 = 162.51 - 50 = 112.51 кН \cdot м$
    • В точке приложения силы F (x = 2a = 6 м): $M_2(6) = 54.17 \cdot (3+6) - 50 - 10 \cdot 6^2 = 54.17 \cdot 9 - 50 - 360 = 487.53 - 50 - 360 = 77.53 кН \cdot м$
    • В точке B (x = 4a = 12 м): $M_2(12) = 54.17 \cdot (3+12) - 50 - 10 \cdot 12^2 = 54.17 \cdot 15 - 50 - 1440 = 812.55 - 50 - 1440 = -677.45 кН \cdot м$
  • Участок 3 (вертикальная стойка справа):

    • Расстояние от нижнего конца стойки до текущей точки: y (0 ≤ y2a)
    • Момент в сечении на расстоянии y от нижнего конца:
      $M_3(y) = R_{By} \cdot y = 65.83 \cdot y$
    • В точке B (y = 0): $M_3(0) = 0$
    • В точке соединения стойки и балки (y = 2a = 6 м): $M_3(6) = 65.83 \cdot 6 = 394.98 кН \cdot м$

3. Учет момента M:

При переходе от участка 1 к участку 2, необходимо учесть момент M = 50 кН·м. Поскольку момент приложен против часовой стрелки, он вызывает положительный момент в балке.

4. Учет силы F:

Сила F = 40 кН создает момент на участке 3 (вертикальная стойка справа).

5. Построение эпюры:

Эпюра моментов строится на основе полученных значений. Важно правильно отобразить знаки моментов (положительные моменты откладываются с одной стороны рамы, отрицательные - с другой).

Важные замечания:

  • Эпюра моментов - это графическое представление внутренних моментов в раме.
  • Знаки моментов определяются по правилу: момент, вызывающий растяжение нижних волокон, считается положительным.
  • При построении эпюры необходимо учитывать все нагрузки и моменты, действующие на раму.

К сожалению, я не могу нарисовать эпюру моментов здесь. Однако, вы можете построить ее самостоятельно, используя полученные значения моментов в характерных точках. Нарисуйте контур рамы и отложите значения моментов перпендикулярно оси рамы в каждой точке. Соедините полученные точки линиями, учитывая характер изменения моментов на каждом участке.

Нарисуй эпюру моментов графически

Ассистент: К сожалению, я не могу нарисовать эпюру моментов графически, так как я являюсь текстовым ИИ-ассистентом. Однако, я могу описать, как она должна выглядеть, и вы сможете нарисовать ее самостоятельно, используя мои инструкции и значения моментов, которые мы уже рассчитали.

Описание эпюры моментов M:

  1. Участок 1 (вертикальная стойка слева):

    • Момент в точке A (нижний конец стойки) равен 0.
    • Момент в точке соединения стойки и балки равен 162.51 кН·м.
    • Эпюра на этом участке - прямая линия, начинающаяся в 0 и линейно возрастающая до 162.51 кН·м. Откладываем значения моментов с внутренней стороны рамы.
  2. Участок 2 (горизонтальная балка):

    • Момент в точке соединения с левой стойкой равен 112.51 кН·м (с учетом момента M).
    • Момент в точке приложения силы F равен 77.53 кН·м.
    • Момент в точке B равен -677.45 кН·м.
    • Эпюра на этом участке - кривая линия (парабола), так как на балку действует равномерно распределенная нагрузка. В точке соединения с левой стойкой момент равен 112.51 кН·м, затем он уменьшается до 77.53 кН·м в точке приложения силы F, а затем становится отрицательным и достигает значения -677.45 кН·м в точке B. Положительные значения откладываем с нижней стороны балки, отрицательные - с верхней.
  3. Участок 3 (вертикальная стойка справа):

    • Момент в точке B (нижний конец стойки) равен 0.
    • Момент в точке соединения стойки и балки равен 394.98 кН·м.
    • Эпюра на этом участке - прямая линия, начинающаяся в 0 и линейно возрастающая до 394.98 кН·м. Откладываем значения моментов с внутренней стороны рамы.

Рекомендации по построению эпюры:

  • Нарисуйте контур рамы.
  • Отложите значения моментов перпендикулярно оси рамы в каждой характерной точке (точках соединения участков, точках приложения нагрузок, точках опор).
  • Соедините полученные точки линиями, учитывая характер изменения моментов на каждом участке (прямые линии для участков без распределенной нагрузки, кривые линии для участков с распределенной нагрузкой).
  • Обязательно укажите знаки моментов (с какой стороны рамы откладываются положительные и отрицательные значения).

Если у вас возникнут вопросы по построению эпюры, не стесняйтесь задавать их!

Photo
Сделай готовое решение в нанокад по этому примеру и отправь мне

Ассистент: К сожалению, я не могу создать готовое решение в NanoCAD и отправить его вам, так как я являюсь текстовым ИИ-ассистентом и не имею доступа к программам автоматизированного проектирования (CAD).

Однако, я могу помочь вам составить план действий для создания решения в NanoCAD:

  1. Запустите NanoCAD.
  2. Создайте новый чертеж.
  3. Нарисуйте схему рамы №7 в соответствии с заданными размерами (a = 3 м, 2a = 6 м). Используйте инструменты рисования линий и окружностей.
  4. Нанесите нагрузки на схему рамы (F = 40 кН, M = 50 кН·м, q = 20 кН/м). Используйте инструменты добавления текста и обозначений.
  5. Постройте эпюру моментов M на основе рассчитанных значений моментов в характерных точках. Используйте инструменты рисования линий и сплайнов.
  6. Оформите чертеж, добавьте размеры, обозначения, заголовки и пояснения. Используйте инструменты добавления текста и размеров.
  7. Сохраните чертеж в формате NanoCAD (.dwg) или в другом удобном формате.
  8. Распечатайте чертеж при необходимости.

Советы по работе в NanoCAD:

  • Изучите основные инструменты рисования и редактирования.
  • Используйте слои для организации чертежа.
  • Используйте привязки для точного рисования.
  • Используйте размеры для контроля размеров элементов.
  • Используйте аннотации для добавления пояснений и обозначений.

Если у вас возникнут конкретные вопросы по работе в NanoCAD, вы можете обратиться к документации программы или к онлайн-ресурсам.

Покажи пример оформления чертежа строительной конструкции в NanoCAD.

Ассистент: Хорошо, давайте рассмотрим пример оформления чертежа строительной конструкции, похожего на вашу раму, чтобы вы могли использовать его в качестве образца при работе в NanoCAD.

На предоставленном вами изображении виден пример оформления чертежа, включающий:

  1. Схема рамы:

    • Отображение геометрической схемы конструкции с указанием размеров (a, 2a и т.д.).
    • Обозначение опор (шарнирно-подвижная, шарнирно-неподвижная).
    • Показ нагрузок (M, q, F) с указанием их направления.
  2. Расчетная схема:

    • Может включать дополнительные обозначения и упрощения для удобства расчета.
  3. Эпюры:

    • Эпюры моментов (в данном случае, эпюра M).
    • Эпюры поперечных сил (если необходимо).
    • Эпюры нормальных сил (если необходимо).
  4. Текстовые пояснения:

    • Указание значений нагрузок (F = 40 кН, M = 50 кН·м, q = 20 кН/м).
    • Запись уравнений равновесия.
    • Расчет реакций опор.
    • Расчет моментов в характерных точках.
    • Формулы для определения перемещений (если требуется).
  5. Оформление:

    • Рамка чертежа.
    • Основная надпись (штамп) с информацией о проекте, разработчике, дате и т.д.
    • Масштаб чертежа.

Рекомендации по оформлению чертежа в NanoCAD:

  • Используйте слои для разделения элементов чертежа (схема, нагрузки, эпюры, размеры, текст).
  • Используйте разные типы линий для выделения важных элементов.
  • Используйте размеры для точного указания размеров элементов.
  • Используйте текст для добавления пояснений и обозначений.
  • Используйте рамку и основную надпись для оформления чертежа в соответствии со стандартами.
Как добавить сюда несколько фото?

Ассистент: К сожалению, я не могу добавлять несколько фотографий в свой ответ. Однако, вы можете просто отправить мне все фотографии, которые у вас есть, и я обработаю их по очереди.

Пожалуйста, убедитесь, что фотографии четкие и хорошо освещены, чтобы я мог правильно распознать текст и графику.

После того, как вы предоставите все необходимые изображения, я смогу приступить к решению задач, изображенных на них.

Photo

Привет! На изображениях вижу задачи по строительной механике. Решаю их по порядку.

Задание 1

На первом изображении представлена схема рамы, эпюра моментов и расчетные данные. Нужно проверить правильность расчета эпюры моментов.

  1. Определение реакций опор:

    • $H_A = 0$
    • $\sum{F_x} = 0$: $H_C - F + H_A + 4 = 0 \implies H_C = F - H_A - 4 = 4 - 0 - 4 = 0$
    • $\sum{M_B} = 0$: $R_A = (F * 4 - H_C * 4) / 6 = (4 * 4 + 0 * 4) / 6 = 16 / 6$
    • $R_C = 0$
    • $R_B = 0$
  2. Уравнения моментов на участках:

    • Участок 1: $0 \le x_1 \le 2$: $M_1 = 0$
    • Участок 2: $0 \le x_2 \le 4$: $M_2 = -2 * x_2$
    • Участок 3: $0 \le x_3 \le 4$: $M_3 = -2 * x_3$
    • Участок 4: $0 \le x_4 \le 4$: $M_4 = -4 * x_4$
    • Участок 5: $0 \le x_5 \le 2$: $M_5 = 0$
  3. Проверка эпюры моментов:

    • Эпюра моментов состоит из участков с линейным изменением моментов.
    • Значения моментов в характерных точках должны соответствовать расчетным значениям.

Вывод: Необходимо проверить численные значения реакций и моментов, а также соответствие эпюры моментов расчетным значениям.

Задание 2

На втором изображении также представлена схема рамы, эпюра моментов и расчетные данные. Необходимо проверить правильность расчета эпюры моментов.

  1. Определение реакций опор:

    • $\sum{F_x} = 0$: $H_A = 0$
    • $\sum{F_y} = 0$: $R_A + R_C - q * 4 - M / a = 0$
    • $\sum{M_B} = 0$: $R_C = (q * 4 * 2 + M + F * 2) / 6 = (80 + 50 + 40 * 2) / 6 = 101.33$ кН
    • $R_A = 0.67$ кН
  2. Уравнения моментов на участках:

    • Участок 1: $0 \le x_1 \le 2$: $M_1 = 0$
    • Участок 2: $0 \le x_2 \le 4$: $M_2 = -q * x_2^2 / 2$
    • Участок 3: $0 \le x_3 \le 4$: $M_3 = -q * x_3^2 / 2$
    • Участок 4: $0 \le x_4 \le 2$: $M_4 = -F * x_4$
    • Участок 5: $0 \le x_5 \le 2$: $M_5 = 0$
  3. Проверка эпюры моментов:

    • Эпюра моментов состоит из участков с параболическим и линейным изменением моментов.
    • Значения моментов в характерных точках должны соответствовать расчетным значениям.

Вывод: Необходимо проверить численные значения реакций и моментов, а также соответствие эпюры моментов расчетным значениям.

thinking img
progress gif

Текст скопирован
Готово
Ошибка
×